
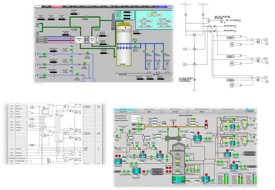
설비 개요
- Manual Interlock Operating
- Full Auto Operating (Recipe를 이용한 스텝별 운전)
- 건식탈황, 습식탈황
- Lime Stone Type, Sea Water Type
수행 Project
-
발전소 : Vinh Tan 4 (VN, Sea water Type)
Nghi Son 2 (VN, Limestone Type)
JAWAHARPUR, OBRA-C (인도)
Quang Trach 1
설계
- PLC 및 Inverter 등을 포함한 제어반
- Inverter, MCC, MOV 제어
- IO List, Layout, Sequence, Logic / Loop Diagram
- HMI Operating / Monitoring System
제작/공급
- PLC, 계기를 위한 판넬 제작
- VMS (Shinkawa)